揭秘Hi-Fi级享受,拆解一台罕见十碟车载CD,探寻经典音质的传承之旅
拆解一台罕见的十碟车载CD机,确实是一件有趣且具有挑战性的任务。这种设备在当今汽车音响系统中已经非常罕见,但它们曾经是高端汽车音响系统的一部分,提供了一种同时播放多张CD的能力。以下是一个大致的拆解步骤和注意事项:
### 拆解步骤:
1. "准备工作":
- 确保你有合适的工具,如螺丝刀、撬棒、塑料拆卸工具等。
- 在拆解前,关闭汽车电源,拔掉电瓶负极,以防止任何电击风险。
2. "拆卸外壳":
- 使用螺丝刀和撬棒小心地拆卸CD机的外壳。注意不要损坏任何塑料卡扣或螺丝。
- 有些CD机可能需要先拆下仪表板或中控台,才能接触到CD机本身。
3. "断开连接":
- 小心地断开CD机与汽车音响系统的电线连接。这些连接通常有防呆设计,确保正确连接。
4. "取出CD驱动器":
- 拆卸CD机的内部组件,包括CD驱动器、电路板、电机等。
- 注意每个组件的连接方式,以便在重新组装时能够正确放置。
5. "检查组件":
- 检查每个组件是否有损坏或老化迹象,如电路板上的电容、电阻等。
- 检查电机和机械结构是否
相关内容:
在如今的新款车型当中,曾经在中控区域占据一席之地的CD机,早已被智能大屏取而代之。随着科技的不断发展,CD机逐渐迎来了诸多可通过数字化下载的替代方案,诸如USB和AUX等。现如今,便捷的车机互联、车载智能娱乐系统能够轻松连接互联网播放您想听的音乐。
即便当下的新技术具备诸多优势,但这并不意味着CD的形式就会被彻底摒弃。因为就音质而言,MP3以及网络播放的形式与CD相比,尚存在较大差距。MP3音频格式的比特率标准最高仅为320kbps,而CD格式最高可达1500kbps,且MP3在声音损耗和失真方面的程度颇为显著。所以,仍有一部分音乐发烧友始终坚守着它。
今天给大家带来的拆解就是一款“真能装”的车载CD机,原文链接:
https://www.eeworld.com.cn/ab5qX9C

简单介绍下这台车载CD机,品牌KENWOOD建伍,型号KDC-C717。
对于这个品牌,简单在网上看了看,既是英国品牌又是日本,如果是厨房电器,那么偏向英国,如果音响通讯则偏向日本,所以这个就当是日本品牌吧。
说起CD机,年轻时候,大概2000年左右,见过家用CD机,也见过随身携带的,也见过三碟片的CD机,就没见过这种10碟片的。
刚好垃圾站捡到这么个玩意,当时捡到了没看出来是什么设备,只看到CD,也没有太多接口,就一个接口,两端还有个支架,用来固定设备的。
接下来准备欣赏一下整个拆解,本文大概有60多张照片,尽量详细的介绍整个拆解过程。
最主要的就是看看,他是如何实现碟片的切换功能。

先看外观,正面一个推拉式的窗口,打开是CD仓,只有一个按键,我没有电源,无法测试,捡的时候还有一袋子电源线,没要,本身这个就是跟小黑要的,所以没要其他配件。
这个CD,型号简单在网上查了查,是车载用的,就是那些年大巴车上,,轮番播放电影的设备,所以这机器,我觉得防震应该很不错,毕竟在大巴车上一直晃悠。

CD仓挺厚实的一次性可以装10张CD,旁边一个开关,功能不清楚,不知道是不是开机的。再没有其他可以操作的按键。
设备左侧有个支架,因为我要装包里,带回来拆,所以把支架拆了。支架可以调节角度,左侧还有个螺丝图片,理解为最大不能超过8毫米的螺丝,不然可能损坏内部元件。


右侧也是一个支架,多了一个接口,这个接口,负责电源,视频线,音频,功能调节,13口的,在网上有蓝牙配件,直接插上,就可以实现蓝牙功能。

设备的后面,一个标签,12V供电,其他没看明白,右边黄色标签1类激光产品。

旁边还有个黑色标签,马来西亚制造。

该标签我不确定哪一个是生产期,肯定不是Y22,这东西都是古董级别的了。至少十几二十年。那个10705636,也不知是不是10年的。

正上方的品牌LOGO.

接下来开拆,打开上盖板,一块占据一半空间的板子,两根排线,右侧接口板子,下面一个CD驱动板。
一个马达是直接焊接在板子上的。

整体分三块PCB,其他为机械结构,机械结构应该由两部分,一个是负责往外推CD仓,另一个负责切换CD。
慢慢往下拆。

先看第一颗芯片,品牌NEC电子,NEC是在2010年4月1日与瑞萨科技合并,成为现在的日本瑞萨电子的,所以该芯片应该是2010年之前的产品,丝印D784214GC098,资料没查到,应该是一颗处理器,负责处理视频信号输出,还有马达控制的。

这个也是NEC的,D63711AGC,这个是一颗业界首款用于 CD 播放器的带 RF 放大器。
CD 播放器市场在家庭音响和便携式领域已经成熟(事实上已经饱和)。然而,汽车领域的情况并非如此,预计汽车市场将以每年约 10% 的速度增长。最新的播放器系统需要提供高性价比,并通过减少元件数量来节省空间。特别是在汽车领域,CD 播放器需要尽可能小,因为它必须在有限的空间内与迷你光盘播放器和车载电视等其他设备共存。CD 单芯片 LSI D63710 就是为满足这些要求而开发的。D63710 在单个芯片上集成了 CD 播放器所需的功能,除了现有产品规格外,还包含 RF 放大器及其外围元件,以提高系统集成度。因此,该 LSI 可以减少外部元件的数量,有助于创建小型且经济高效的系统。

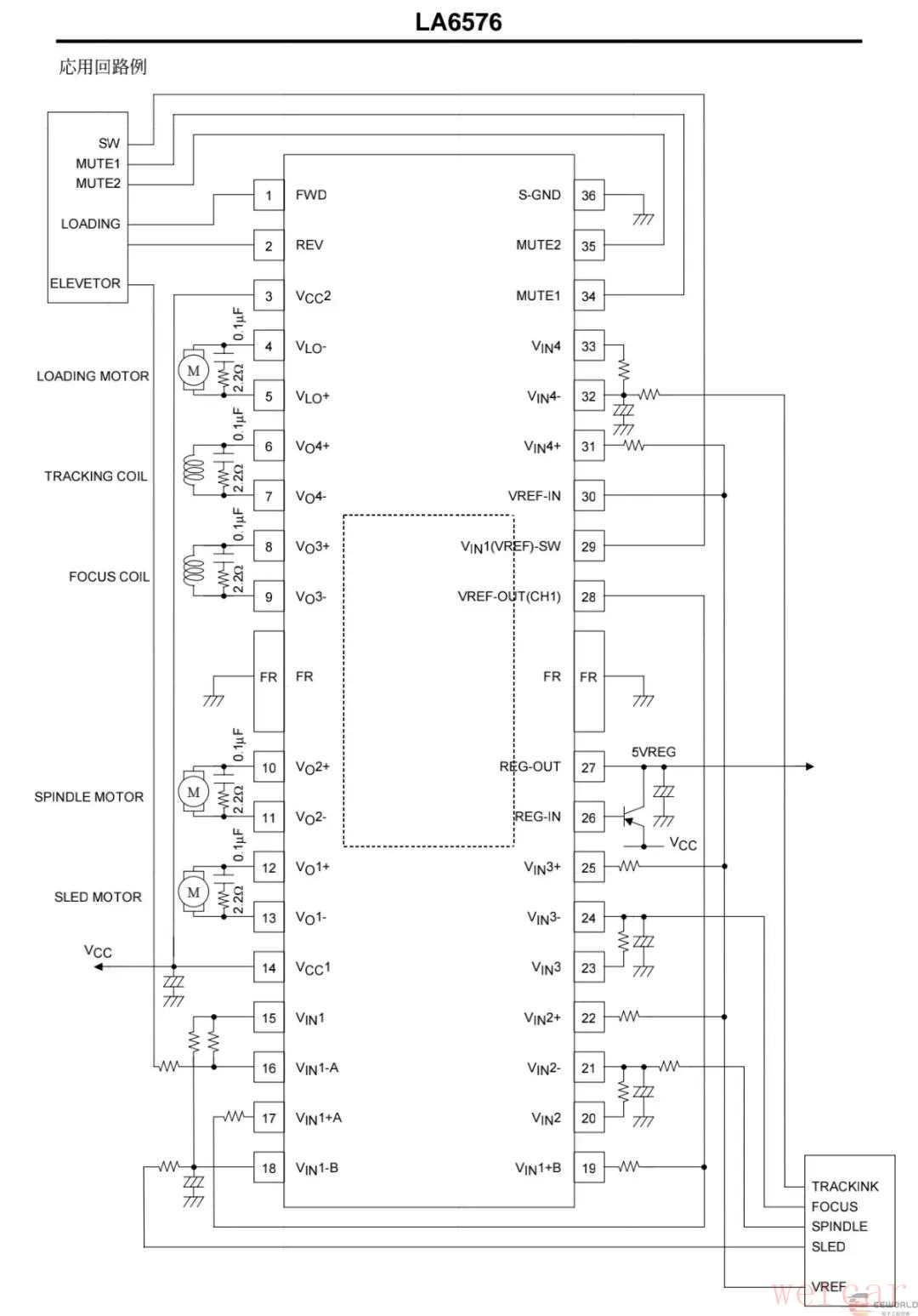
这颗LA 6576品牌是三洋半导体,是一颗单片线性集成电路5CH光盘驱动器。

LA6576具有VREF微调功能

这颗三洋的LC3564RT-70,是一颗RAM,LC3564RT 是 8192 字 X 8 位、异步、硅门、低压 CMOS SRAM LSI。它们的工作电压为 2.0 至 3.6V,非常适合手持式电池供电设备。它们是完全 CMOS 设备,采用 2 层 A1 布线,可实现高速访问、低工作电流消耗和极低待机电流。它们结合了控制信号输入;OE 用于高速内存访问。以及 2 个芯片使能 CE1 和 CE2 用于断电和设备选择。它们是需要高速、低功耗和电池备份或轻松扩展内存的系统的理想选择。极低的待机电流意味着也可以使用电容器实现备份。

再来看接口处。接口的插头是一个13pin的,通过PCB链接排线到主板,没有其他元件。只是一个过渡接口。

两根软排线,,接口处的有多个贴片三极管。


接口小板取下来。连接的排线一起取下。

底部是CD的驱动器,有激光头读取光碟的那部分。

整机的防震由两个弹簧拉住,这是右侧的弹簧。

这是左侧的弹簧。

用这四个像脚垫样的东西拉住,整机的防震效果大大提高。可以让整个设备都悬空在机壳上。

拆下后壳的机械结构。一共三部分组成,那两根斜45度的是控制CD机读取哪一个CD的,两根横向的是起到固定作用。
正面也有两根45度导轨,同步来调整CD机的位置。

取下外壳机械部分。

CD仓就可以取下来了,,也可以看到整个CD机内部结构。


十片CD.仓,每一片都有一个卡扣,负责归位。
底部两个轨道槽,中间的长的,是用来弹出CD仓,短的负责定位固定。


手动推进去,机械的卡片会落下来,锁住CD仓。

那个圆柱的也会卡在那个短的轨道槽里。

有两个感应开关。负责检测仓门出入,还有使用第几个仓的CD。

主板翻过来,马达的焊接,直接拽下来了。
马达是负责仓门的打开,整体是通过4个尼龙轮,来驱动底部那块机械带弹簧的铁片,使仓门打开。当推进去后,弹簧是有个弹力,推出仓门,应该很轻松。搭配中间那个黑色弹簧的拉力。

旁边有一颗C02,左边四个引脚都一起链接了,好像是一颗电源管理芯片。
左上角的那个长条,是一颗日本ALPS阿尔卑斯RDC10电阻式位置传感器,32㎜行程,轴长5㎜,是负责检测当前正在使用哪一张CD的位置。有很长的滑动空间。


齿轮部分,马达驱动螺旋齿轮,带动其他三个齿轮,来驱动底部那机械结构。来推出或者推入仓门。
日本ALPS阿尔卑斯RDC10电阻式位置传感器。


开仓门的按键。旁边开关不清楚什么功能。

理解了如何开关仓门,来了解下重点,如何切换CD,接下往下拆。
排线取下来。只剩下CD机部分。

拆下马达上面的这块,有4个齿轮的,这个应该就是切换CD使用到的机械结构。

动力传给这颗斜齿轮,再来驱动蓝色尼龙部分。

扣上原来的齿轮,就可以看出整个机械结构,蓝色横齿的部分,用来调节上下位置。

驱动来自CD的主马达动力,当马达往上的时候,是驱动读取CD,落下来则是驱动齿轮换CD。

这个是马达上去的时候,脱离那四个齿轮,直接高速旋转,读取CD。中间的空隙,刚好一张碟。

再来看下这部分结构,齿轮的旋转,可以根据电位器给的信号,来确认需要读取第几张CD,然后CD马达根据机械位置给的信号来到指定高度,驱动马达先把里面的退会去,再到需要的位置,提取该CD。

卡簧这力度很大,用力才能推动。两根弹簧产生的力,来驱动更换碟片。




这机械结构,像那些年的的录音机结构了,不过录音机结构齿轮要比这个多,但是驱动马达只有一个,通过调节按键,来实现不同齿轮切换。

两个马达,另一个长的是驱动激光头读取位置的。

激光头驱动板拿下来。马达来自日本的万宝至品牌,型号FF-050SK-13130,一颗磁盘用光驱马达。

马达驱动激光头的位置,读取CD。
取下排线。

光驱激光头是用整块铝合金材料固定。

取下激光头,这么多年了,这润滑,还是这么粘。

激光头由两根弹簧拉住固定,可以上下左右的晃动。

取下盖板,晃动部分应该是电动调节的,有线圈。


取下激光头,核心部件就是这个了,他可以读取光盘文件。
内部结构。


托盘马达。

型号RF-300C-13300,跟上一个马达同一品牌,越南制造,生产日期不确定。

整体拆解就这样了,拆出一堆机械结构。

还有一堆小零件。最后一起都打包扔垃圾桶了。

这个是激光头的读取镜头部分,内部有棱形结构反光。
大概整理下,整机一共三颗马达,搭配机械结构,来实现开关仓门,切换CD,读取CD,通过13PIN结口,把视频信号传输到屏幕。该设备应该具备自动读取,切换下一张CD功能,不用人参与,可以直接自动循环播放。
整体拆解就这么简单,生产日期不清楚,盲猜2004年之前吧,到后期就出现MP3了,这玩意就慢慢淘汰了。
OK,就这样了,一个“真能装”的设备拆解结束,欢迎各位朋友一起讨论下,有补充的可以一起讨论。
下次持续更新更老的数码垃圾。或者看看近期能不能捡到其他数码宝贝。