建伍高端功放内部线路揭秘,修一台相当于修一台经典黑白电视机
这个说法非常有意思,它形象地描绘了高端功放内部线路的复杂和精密程度。我们可以从几个角度来理解这句话:
1. "复杂性与精密性:"
"高端功放":通常采用分体式设计(如前级、功率级分离),包含大量的电子元件,如高质量的电容、电感、晶体管(MOSFET、IGBT等)、运算放大器、光电耦合器、各种接口电路等。
"内部线路":这些元件通过复杂的印刷电路板(PCB)线路连接起来,形成精密的信号处理和功率放大通路。布线需要考虑阻抗匹配、信号隔离、散热、抗干扰等多种因素,非常讲究。
"“不亚于”":这里的“不亚于”表示在复杂程度和精密设计上,高端功放内部线路堪比甚至超越(或者说,至少可以类比)一台功能齐全的黑白电视机。
2. "类比黑白电视机:"
"时代背景":黑白电视机是电子技术的经典代表,内部结构相对现代复杂功放来说,要简单一些,但依然包含调谐器、放大电路、偏转线圈、显像管驱动电路等,线路也比较密集。
"视觉印象":黑白电视机的内部(如果打开过)给人的印象就是布满了各种元件和纵横交错的线路,具有一定的“年代感
相关内容:
日本建伍老功放,当年的高端旗舰AV环绕机,带数字频率合成调频调幅收音,多路S视频输入,控制信息可以插入到视频信号中在电视屏幕上显示,同时主机上还有点阵式的VFD真空荧光显示器,很高档。
音频信号部分用DSP数字处理器进行杜比等各种环绕声逻辑解码处理。功放部分则有5声道环绕,均由大功率分立元件构成电路,左右主声道和中置声道每个最大输出功率都是175W,环绕声道最大功率120W。整机的额定耗电功率为650W。
整机净重就达到16.5公斤,非常沉重。里面的用料也是非常实在,其数字逻辑部分是用双CPU加双DSP控制和处理。
整机外观是这样的:两个大旋钮分别负责输入选择和音量,音量用CPU控制的电子电位器,不是碳膜电位器,永不磨损:

后面密密麻麻的全是各种音频和视频信号输入输出端子,端子越多显得功放越高级。除了音视频信号端子还有遥控等特殊信号的端子,此外还有两个受主机CPU控制的交流电源插座,用于给光碟机等外设供电:

这台机器的故障现象是开机两三秒钟就突然自动关机,像是自动保护引起的关机。因为自动关机太快,来不及做什么电路测量就关闭总电源了,所以只能先从电路分析看看能不能把保护强制解除掉,然后再测量电路分析查找故障。
首先拆掉上盖,这个很简单。拆开上盖,里面的东西就看见了,好多电路板插在一起,横的竖的一大堆:






主变压器,够大够力,日系不喜欢用环形变压器,这个也不例外,用的特大号的E型变压器,主变压器大约15厘米宽,20厘米长,估计重量有10公斤左右,支持650W的额定功率应该是没有虚标的:


中间的几块电路板是信号切换以及DSP数字信号处理和解码,这些电路不是这次修理的重点,就不详细介绍:



最边上的这块垂直电路板是收音板,左下角还有个散热器,是给各种稳压集成块用的小辅助散热器

收音板特写,传统的超外差线路,高频部分放在屏蔽盒里

这是副电源板,主要是提供小电流电路所需的各种电压的电源,虽然看起来这几个整流桥已经不小了

副电源板背面

拆下副电源板可以看到主板上的两个主电源整流桥和4个大滤波电容,整流桥用厚重的铝合金封装,保证大电流散热:


这个角度可以看清主滤波电容,80V10000uF,日本产伊娜ELNA牌的

功放电路保护芯片uPC1237HA在主板的角落里,就是右下角那个单列直插的IC1,因为单列直插在正面没法测量,还得把主板背面拆开。

把机器立起来,拆掉底壳

主板的铜箔面就露出来了

开机测量了一下保护芯片uPC1237HA的第6脚电压,一直高电平,所以它确实是处于保护状态,主机的自动关机也就是因为它而引起的。
下面就要强制解除这个保护芯片的保护,从而阻止系统自动关机,以便让我们能够测量功放电路来查找故障源头。解除保护很容易,把uPC1237HA的6脚焊一个电阻到5脚接地,拉低其电压即可给副CPU一个功放系统正常工作的假信号,从而解除自动保护关机:

解除保护后先测一下uPC1237HA的各脚电压,发现1脚和2脚都不正常,电压都明显偏高,这说明同时发生了功放中点电压和过载保护,至少有一路功放电路坏了。
下面就检测一下各路功放,一般都从中点电压开始,最方便快捷,正常的OCL功放的中点,即功放输出端的直流电压应该为0,如果不为0的话那么这一路功放肯定有问题。
因为已经强制解除了功放保护电路,音箱继电器被打开,所以测中点电压直接在功放外壳上的音箱连接端子上测就可以了,不必再在拥挤的电路板上测,依次测量5路功放音箱红色端子的电压,发现都为0,直到测到最后一个环绕左声道时中点电压达到50V!这说明环绕左声道肯定坏了。


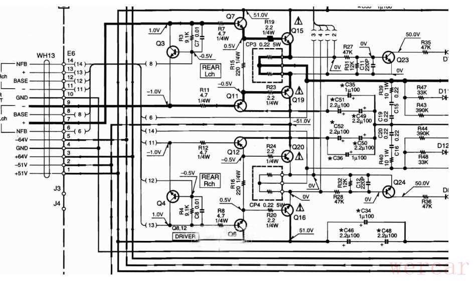
先把环绕左声道部分的功放电路找出来,功放输出部分很简单,两个大功率对管Q15、Q19前面有一对电流驱动管Q7、Q11,再前面则是一个静态偏置电流控制管Q3,非常经典的OCL电路设计.

关掉电源,在主板的底面找到环绕左声道部分,测量功放对管和相关的三极管,已经全部烧毁短路:






故障已经找到,下面就是拆下损坏的元件更换维修了,要先回到功放正面,继续拆机,先把这块横着的大电路板拆掉,这是功放电路的电压驱动板,全部由分立元件组成没有使用集成运放.
因为运放集成电路电压很难达到大功率功放所需的电压(该功放达正负64V),电压驱动板的作用是用带负反馈的两级差分放大电路把主板来的几百毫伏的单极标准音频信号的电压放大到正负几十伏差分信号然后驱动功放对管完成功率放大。

要拆驱动板,首先要到机壳后面把驱动连接端子拆掉,这5个黑家伙就是驱动板的信号输入短路器,它负责把信号输出和输入连接起来,从而给驱动板提供信号。
这是高级功放的特有接法,它给用户一个选择可以把这个功放作为一个纯后级来使用,只要拔掉这些短路器,就可以把其他音箱设备的信号直接送到这台功放的最终功放电路部分,而绕开它的前级解码、音调控制等电路,从而避免那些额外电路带来的失真和噪音,作为一台高保真纯后级来用。

然后把固定输入输出端子的螺丝拆掉:


再回到机壳内,拆掉相关的螺丝和支架:

然后把驱动板上的排线都拆掉,建伍用的是这种多线直插的排线,用螺丝刀轻轻把固定卡向上拨开,排线就能直接取下来了:


这是拆下的驱动板,全是分立三极管没有芯片:



拆掉驱动板,就可以看巨大的主散热器和后面的散热风扇了:


主散热器上有两个温度传感器,用于控制风扇的速度,只有大功率发热严重的情况时风扇才会起动,并且风扇的速度也是可调的自动控制的:


拆掉主散热器后,下面其实还有通过散热硅脂连接的5组小散热器,上面分别安装着5组功放对管:


可以看到5组对管不完全一样,有3组是功率很大的MT-200封装的2SB15709和2SD2401达林顿对管,用于左右主声道和中央声道,另外两组是小一点的TO-3PL封装的2SB1163和2SD1718对管,用于环绕声道:





散热器的旁边是输出继电器和电感等

三极管同散热器一起拆下:

这些三极管全部烧毁,都是松下的管子

除了三极管烧毁外,功放后级电路中大功率三极管周围的电阻在大电流下一般也都会同时被烧毁,检测发现这些画圈的电阻都烧掉了,大部分肉眼都能看到烧焦的痕迹:

拆下烧焦的小电阻:


把烧掉的电阻全部换掉,其中那个白色方块的大电阻是双电阻,内部包括两个串联的0.22欧姆电阻,这里只有一个坏了,所以可以在外面并联一个0.22欧姆5W的水泥电阻修复:

然后更换烧坏的5个三极管

最后再检查下驱动板上这个声道的驱动电路没有问题,把其他几个声道的大功率三极管和大功率电阻也检测一遍,保证没有其他问题。然后就可以把开始临时搭接在uPC1237HA保护芯片上的强制解除保护的电阻拆掉,恢复保护功能。
损坏的元件都更换检查完后,开机,首先测量环绕左声道的功放中点电压,如果不是严格的0V的话可以调节驱动板上的中点电压电位器到0V。调节驱动板上的偏流调节电位器,让大功率电阻上的电压为8mV,偏流就调好了:


至此,这台老功放就修好了,输入一个音频信号,音箱端子接个指针式的万用表,打到10V交流档,音量设到中等,应该看到随着音频信号的变化万用表的指针会快速摆动。
总结
这机器的结构,就能想象出当年的价格,电子,机械,结构设计,我们确实离小日本还是有相当的差距,这个还只能算普通消费电器,同时代的索尼专业摄像机那才是登峰造极的机电设计,他们的精神是值得我们学习的,做事情真的很细致,为了达到某种目的,大费周折也心甘。
这类功放当年价值不菲现在就没多大价值了。