爱信8AT(AWF8)变速器深度解析,横置8速AT中的领军者揭秘
我们来详细解读一下爱信(Aisin)的AWF8(通常称为8AT)自动变速器,探讨它为何能在众多横置前驱8速自动变速器中脱颖而出,被称为“领头羊”之一。
"AWF8变速器详解"
1. "基本信息与定位:"
"制造商:" 爱信精机株式会社(Aisin Seiki Co., Ltd.)
"类型:" 横置前驱(Front-Wheel Drive, FWD)自动变速器
"速比:" 8速
"技术特点:" 采用了爱信最新的多模态控制技术,结合了传统AT(液力变矩器+行星齿轮组)和DCT(双离合器)的部分优势,追求平顺性、燃油经济性和换挡性能。
"目标市场:" 主要面向豪华品牌(如雷克萨斯LS、RX)、高端性能车(如斯巴鲁WRX STI的部分车型)以及部分主流品牌的中高端车型。
2. "核心技术 - 多模态控制技术 (Multi-Modal Control Technology):"
这是AWF8的灵魂所在,也是它区别于其他传统8AT的关键。它旨在模拟DCT的快速、直接换挡特性,同时保留传统AT的平顺性和低速蠕行能力。
"工作原理:" 通过先进的控制
相关内容:
在汽车行业,爱信变速器算得上一个家喻户晓的“名人”,它由丰田汽车和爱信精机株式会社投资组成,是全球三大自动变速器生产厂家之一,其生产的6AT变速器至今仍然是AT变速器中的一个经典,所占市场份额居高不下。

但除了6AT,爱信其实还是最早推出8AT的品牌,不过相比采埃孚几乎垄断纵置平台市场的ZF 8AT,爱信的8AT并没有这么出名,是什么原因造成了这个现象,爱信8AT实力又究竟如何呢,本片文章我们就一探究竟。
首先需要知道的是,爱信8AT分为横置和纵置两款,横置为AWF8系列,纵置为AWR8系列,但由于纵置的爱信8AT所搭载的车型太少(2018款皇冠,2016款的雷克萨斯LS等),本文就不过多深入详解,主要讲解爱信横置8AT。
一、爱信8AT(AWF8)的推出背景
众所周知,日本属于资源匮乏型国家,所以他们对于汽车的燃油经济性更加看重,而由于多挡位变速器齿比范围更加宽泛,因此理论上车辆可以实现更好的燃油经济性,所以爱信8AT变速器推出的背景,与此深度相关。

事实上,日本对于包括多挡位变速器、油电混动、氢能源等几乎所有的节能技术它们都在尝试,这也是为什么石油危机之后,日系汽车品牌能迅速占领美国市场。
另一方面, 虽然爱信早在2006年就推出了首款纵置8AT,但其又在2012年推出了横置的8AT,这主要是因为当时三大品牌的8AT(爱信、采埃孚、派沃泰)基本都是应用于纵置发动机平台,这也就导致更多采用发动机横置平台的车辆无法进行匹配。
而爱信横置8AT的推出则解决了这个问题,理论上它可以与更多的发动机横置前驱平台车型进行动力系统的匹配,从而降低油耗以及增加驾乘的舒适性体验。
(爱信8AT(AWF8))二、目前爱信8AT(AWF8)有哪些型号,分别搭载在哪些车上?
爱信8AT(AWF8)有包括AWF8F35/F45 2种不同扭矩类型,AWF8F35最大扭矩承受扭矩为350N·M,AWF8F45最大承受扭矩为480N·M。
另外值得注意的是,爱信8AT(AWF8)也被不同的品牌叫做不同的名字,比如宝马&MINI叫做GA8F22AW,丰田叫做UA80E/UA80F,沃尔沃叫做TG-81SC/SD,通用叫做AWF8F45&AF50-8,大众叫做AQ450。
这些不同型号的变速器其实内部结构基本一致,只是在包括液力变扭器、摩擦片材质和数量有差别,它们能匹配不同扭力的发动机。
(爱信8AT(AWF8))爱信8AT(AWF8)首次使用在雷克萨斯RX350 FSport上,之后逐渐延伸到其它品牌和车型。
目前国内在售的搭载爱信8AT(AWF8)车型包括,德系:有宝马X1(顶配版本)、宝马X2 xDrive 25i曜夜版、MINI COUNTRYMAN COOPER ALL4系列车型。

法系:雪铁龙C6(1.8T版本)、天逸C5 AIRCROSS、凡尔赛C5 X、DS9全系、DS7全系、标致508(1.8T版本)、标致4008全系、标致5008全系。

欧系:VOLVO 全系(燃油版本)、极星Polestar1。

日系:有雷克萨斯ES(2.5L纯燃油版)、雷克萨斯NX(2.5L纯燃油版)、亚洲龙(2.5L纯燃油版)、凯美瑞(2.5L纯燃油版)。

自主品牌:长安UNI-K全系、长安UNI-T(2.0T版本)、长安CS85 COUPE(2.0T版本)、长安CS75 PLUS(2.0T版本)星越L(四驱版本)、星越(2.0T版本)、星越S(顶配以及次顶配)、领克03(2.0T版本)、领克9全系、领克05全系、领克01全系、领克02Hatchback全系、红旗HS7(3.0T版本)。

这应该是继爱信6AT之后,跨品牌跨车型适用面最广的一款变速箱。
三、相比自家6AT,爱信8AT(AWF8)做了哪些改进
3.1、和自家6AT的区别
爱信的这台8AT(AWF8)也并非全新开发设计,它是基于自家的6AT变速器延伸而来,整个变速器的结构亦或是技术逻辑都没有做出很大的改动。
这样做的原因是一方面爱信的6AT已经相当成熟可靠了,至今也被誉为AT变速器中的经典;第二方面肯定也与日系品牌严格控制成本有关,重新开发一个8AT的变速器结构投入与产出不成正比。
(爱信6AT变速器)那么爱信8AT(AWF8)是如何实现在6AT的基础上增加两个挡位的呢?
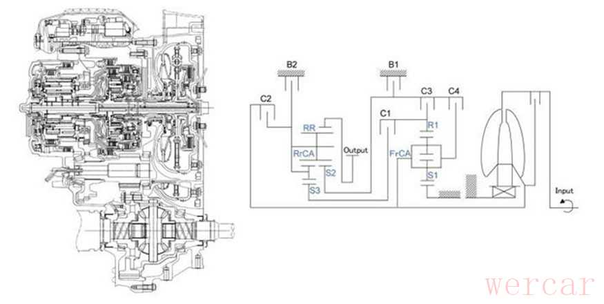
它是通过在原来的莱佩莱捷机构的基础上增加了一个操纵离合器,然后再把其中的一个普通行星排,改为了内外啮合行星排,来实现了8个挡位。
从结构上来讲,爱信8AT(AWF8)采用了4组摩擦离合器和2组制动器,以及创新的3个行星齿轮组。从第1挡到第8挡包含倒挡都有2组换挡机构结合。

对比两者可以发现,因为在结构上基本没有大的变动,所以爱信8AT(AWF8)无论是性能水平、后期的稳定性还是制造成本,都是非常均衡的存在,综合表现优秀。
3.2、爱信8AT(AWF8)制造难点在哪儿以及性能有多少提升?
前文提到,爱信8AT(AWF8)体积相较于自家的6AT没有太大的变化,而想要保证变速器拥有小巧的体积,首先就需要在整体的布局上花费众多心思,同时还要使得每个部件在达到设计强度的同时尽可能减小自身的体积,而这一切也对制造、加工等工艺提出了很高的要求。
另外,由于挡位之多,齿比范围更加宽泛,爱信8AT(AWF8)的齿比范围达到7.6:1,而爱信6AT齿比范围只有6.01:1,这也就意味着爱信8AT(AWF8)最高齿比可以做得更小,高速巡航发动机转速更低更省油,最低齿比做得更大,起步能提供更好的加速性能。

根据官方的数据,爱信8AT(AWF8)在低扭时效率比6AT提升5%,高速高扭时效率比6AT提升1.5%。
四、爱信8AT(AWF8)优势点在哪儿?
正如前文所言,爱信8AT(AWF8)在大体机构上沿袭了爱信6AT的结构,可以说是站在巨人的肩膀上研发,其继承了6AT的所有优点,以及绝大部分的结构和工艺。而丰田的6AT变速器早已得到市场的验证,那么显而易见的,爱信的这款8AT(AWF8) 无论是成本、可靠性以及性能都是可以得到保障的。
(爱信8AT(AWF8))第二个,爱信8AT(AWF8)的齿比范围更加合理,对比ZF 9AT可以发现,其各挡位齿比范围跨度较大,尤其是前5个挡位,如果你没有有足够精细的标定数据,那么不可能有好的匹配效果,所以前期搭载ZF 9AT变速器车型的市场风评都不是太好。
而爱信8AT(AWF8)各个齿比更加绵密,想要的发动机的标定也不会过于复杂,因此在行驶平顺性上更好,同时也更能满足大部分用户的使用场景(爱信8AT超比挡只有2个,而ZF 9AT却高达4个)。
第三,爱信这款8AT(AWF8)体积并不算大,那么相应的,留给悬挂和转向的空间就更多,这样工程师可操作的空间就越大,悬挂的设计以及位置都有更多可能,可以显著提升操控以及转弯半径。

Volvo全系使用爱信8AT(AWF8)变速箱的原因,除了和爱信有更早更好的合作之外,相信爱信8AT的体积一定也是Volvo考虑的重点因素。
第四点,得益于爱信6AT变速器在全球的热销,那么尺寸与爱信6AT变速器相似的爱信8AT(AWF8)自然也能够让更多搭载了6AT的车型能够顺利换代,车型架构不需要重新设计,对于很多选择搭载爱信6AT的品牌而言也是节约了很大一笔成本。
五、爱信8AT(AWF8)市场口碑
因为爱信8AT(AWF8)变速箱的二挡升三挡时有一个行星齿轮架会反转一下的天生缺陷,换挡速度快顿挫就比较难处理。
(爱信8AT(AWF8))以2.5的亚洲龙和凯美瑞为例,它们用户普遍反映,在在二三挡切换时,会有明显的顿挫和闯动,而且当车速在30~40km/h的时候,收油还会伴随着明显的拖拽感,体验并没有想象的那么丝滑。
要想不顿挫,就要牺牲换挡速度,但也不是没人能调好,比如沃尔沃对于爱信8AT(AWF8)的调校就十分的上道,受到很多用户的好评。
至于为什么不是丰田调校得最好(据说爱信会和丰田贡献所有数据),这里我们猜想或许和与之匹配的发动机有关。
从质量上看,爱信8AT(AWF8)整体评价还算高,毕竟是沿袭了爱信6AT,整体结构设计基本没有大问题,但我们在车质网上也看到了一些对于爱信8AT(AWF8)变速器的投诉,比如有些新款沃尔沃的车主就表示出现了变速器无法加速、换挡抖动、故障等现象。

六、市售横置8AT横评
6.1目前有哪些横置8AT,所搭载车型是哪些?
近些年随着制造成本的降低以及技术进步,越来越多的经济性车也开始用上8AT,目前市场上在售的横置8AT包括爱信横置8AT,现代横置8AT,福特8AT、盛瑞8AT。
爱信横置8AT所搭载车型前文已经罗列,这里就不在赘述。
2012年前后,现代开发了横置平台的8AT,这台变速器是对其横置6AT的深度继承,仅增加了一个离合器,多了中间一个内外啮合的行星排。是不是看着有点熟悉?没错其实就是爱信8AT莱佩莱捷机构的一种改进。但值得注意的是这并非是一种套娃,现代在这款变速器上兑现了很多专利技术,据统计,现代的横置8AT获得147个专利技术。
(现代横置8AT)目前现代横置8AT搭载的车型包括现代库斯途全系、索纳塔(2.0T版本)、胜达全系、起亚K5(2.0T版本)、起亚嘉华全系。Ps:现代集团旗下还有纵置8AT,目前只用于高端子品牌捷尼赛思,这里我们也不过多深入。
盛瑞8AT是由我国盛瑞传动股份有限公司开发,2013年正式发布了第一代产品,目前盛瑞8AT目前已经发展到第三代(纵置),但我们没有并没有找到搭载第三代盛瑞8AT的车型,而搭载盛瑞第二代8AT的在售车型仅有奔腾T99一款。
(二代盛瑞横置8AT变速器)福特汽车在AT变速箱方面并没有特别好的技术储备,更多的精力都投入到了内燃机的研发中,福特的8AT其实是与通用共同开发。目前福特8AT搭载于福特EVOS全系、福克斯(1.5T版本)、锐界部分车型、锐际部分车型、金牛座全系;林肯冒险家全系、林肯航海家部分车型、以及即将上市的林肯Z。
而根据承受扭矩的不同,福特8AT还可分为8F24和8F35两个版本,前者可承受最大扭矩仅为240牛米,后者所能承受的最大扭矩则为350牛米。
(福特8AT)前者搭载在大家比较熟悉的福克斯上,后者承受扭矩更大,搭载在锐际、锐界、EVOS等车型上。6.2四款横置8AT参数横评
在前面两篇有关变速器的深度解读文章中我们说过,衡量一款变速器性能,一个比较关键的指标就是传动比范围。传动比范围越大,意味着变速器在低速时能提供较好的加速性能,在高速巡航时也尽可能降低发动机转速,以此降低油耗,我们将以上几款变速器做了对比,如下:

爱信8AT(AWF8)传动比范围达到了7.64:1,盛瑞的8AT传动比范围为6.5:1,福特8AT的传动比范围为7:1。
从参数来看,爱信8AT(AWF8)的传动比范围最大,一挡齿比达到了5.2,能在起步阶段提供比较好的加速能力,同时超比挡的齿比达到0.685,燃油经济性也不错,但由于相邻挡位齿比落差相对较大,所以在换挡平顺性上肯定不如后面两款车型。
盛瑞8AT作为首个自主品牌研发的8AT,从参数上来看,第二代盛瑞8AT齿比范围达到6.5:1,是以上几款变速器中齿比范围最小的,这意味着它相邻两个挡位之间的齿比落差小,换挡的平顺性更加,但横看成峰侧成岭,齿比范围太小也就意味着它理论上的燃油经济性是不如前面几款变速器。
(二代盛瑞8AT)而福特8AT其实是基于通用9AT而来,齿比范围适中,达到了7.0:1,各项性能中规中矩。且各挡位之间的齿比落差基本在1.2-1.5之间,平顺性得以保证。
写在最后:
虽然在知名度上,爱信8AT比不上ZF的8AT,但由于ZF 8AT更加追求性能,同时与之匹配度更加的是发动机纵置后驱平台,因此即使在性能上比不过ZF 8AT,但凭借其成熟的结构以及不错的平顺性,爱信的横置8AT在B级家用车领域也是正在被发扬光大。
而且值得注意的是,当下电动化浪潮来得过于凶猛,因此在经济车领域,8AT或许是最后的荣光了,更高挡位的变速器大概率是不会下放到这个级别的车型中了,边际效应太低,以目前的实际情况来讲,爱信的横置8AT系列在相当长一段时间内仍然是横置8AT里面的主流。