中兴全尺寸皮卡首度亮相,外观致敬“小坦途”,搭载多连杆后悬架引关注
我们来聊聊这次曝光的中兴全尺寸皮卡。
根据你提供的信息,“新车|中兴全尺寸皮卡首曝,外观‘小坦途’,配多连杆后悬架?”,我们可以解读出以下几点关键信息:
1. "新车类型:" 中兴将推出一款"全尺寸皮卡"。这通常意味着它将拥有非常宽敞的内部空间和强大的承载能力,定位可能瞄准高端商用或高端越野市场,对标的是像丰田坦途(Tundra)、福特F-150 Raptor等国际品牌的全尺寸皮卡。
2. "首次曝光:" 这是这款车"首次"面向公众或媒体曝光,意味着它进入了公众视野,距离正式上市销售可能不远,或者至少是预热阶段。
3. "外观设计风格:" 被形容为“"小坦途"”。这表明其外观设计"明显借鉴或致敬了丰田坦途"。可能意味着方正、硬朗、充满力量感的车身线条,以及类似坦途的标志、中网、大灯等设计元素。这个“小”字可能指的是,虽然定位全尺寸,但在尺寸上可能不会像F-150那样极致庞大,或者是在同级别中相对更符合一些国内审美偏好,但整体风格依然非常硬派和雄壮。
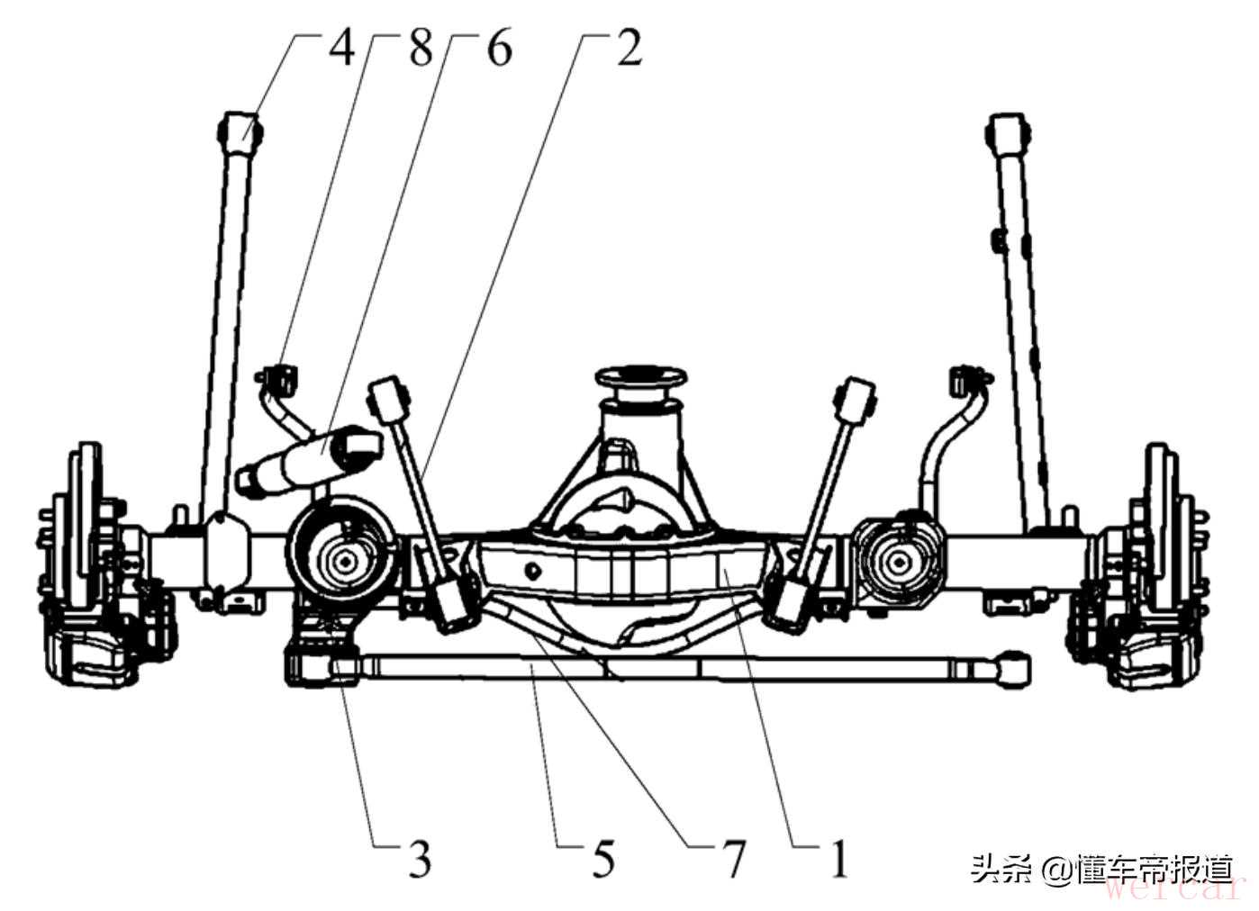
4. "关键技术亮点:" "配备多连杆后悬架"。这一点非常值得关注:
"多
相关内容:
文:懂车帝原创 高帅鹏
在乘用化、宽体化、高端化发展趋势下,国内皮卡车企都在摩拳擦掌,全新车型近段时间频繁落地。日前,我们从相关渠道获得一组中兴全新皮卡实车图,该车官方定位为“全尺寸皮卡”,车身宽度将超过2米。据悉,这款车计划在今年下半年推出。


尽管目前仍处于测试阶段,不过本次曝光车型除车身覆盖有伪装贴纸外,大部分设计细节已对外展现。其中,新车前脸采用大尺寸前格栅造型,并且车头角度较为直立,因此形成了酷似丰田坦途的车头气势感。

作为一大设计特点,新车前灯组采用不规则造型,内部LED发光造型具有辨识性。从车身方面来看,该车为双排皮卡设计,并疑似为长轴版车型。有国内媒体报道称,其车身宽度在2100毫米左右,对比来看,长城炮宽度为1958毫米、福田大将军宽度为1960毫米。
有传言称,这款中兴全新皮卡有望搭载3.0T V6发动机,显然这样的动力配置要比当前国内自主品牌皮卡普遍使用的2.0T汽油/柴油发动机,以及2.5T柴油发动机更有吸引力,不过目前官方渠道暂未公布该车动力信息。


与此同时,有国内媒体在专利局网站获得了一组中兴全新后悬架专利图,该悬架为整体桥式多连杆后悬架,配有盘式制动和防倾杆,并采用螺旋弹簧作为悬架弹性元件,减振筒位于后轴前部。
编辑点评:
作为国内为数不多的专注于皮卡制造的车企,中兴算得上一位老资历选手,在全新发展趋势下,显然中兴将迎头赶上。目前来看,很多国内皮卡车企都打出了乘用化大旗,不过笔者认为这些车型更多是外在包装,SUV化的外形和轿车化的内饰,在视觉上摆脱了工具型皮卡的粗糙,但诸如侧重承载性能的钢板弹簧后悬架设计而言,大部分所谓乘用化皮卡的底子依然是一辆工具型皮卡。不过,长城炮螺旋弹簧多连杆整体桥后悬架算是一大突破,若中兴专利申报中的多连杆后悬架能够在本次曝光车型上应用,该车也有望成为第二款采用非钢板弹簧后悬架的自主品牌皮卡。因此,从硬件配备角度来看,中兴全新皮卡也很有可能成为一款真正可以和长城炮掰手腕的车型。
更多阅读: